HCDEC Equipo de Ensayos de Compresor de Dos Etapas, Controlado desde Computador (PC)
SISTEMAS INNOVADORES
El Equipo de Ensayos de Compresor de Dos Etapas, Controlado desde Computador (PC), "HCDEC", permite realizar el estudio de la compresión en una y en dos etapas (trabajo de compresión, eficiencia, curvas P-V y propiedades termodinámicas, entre otras). También permite hacer un estudio de la compresión con y sin refrigeración en la etapa intermedia.
Expansiones
Laboratorios
NOTICIAS RELACIONADAS
Descripción General
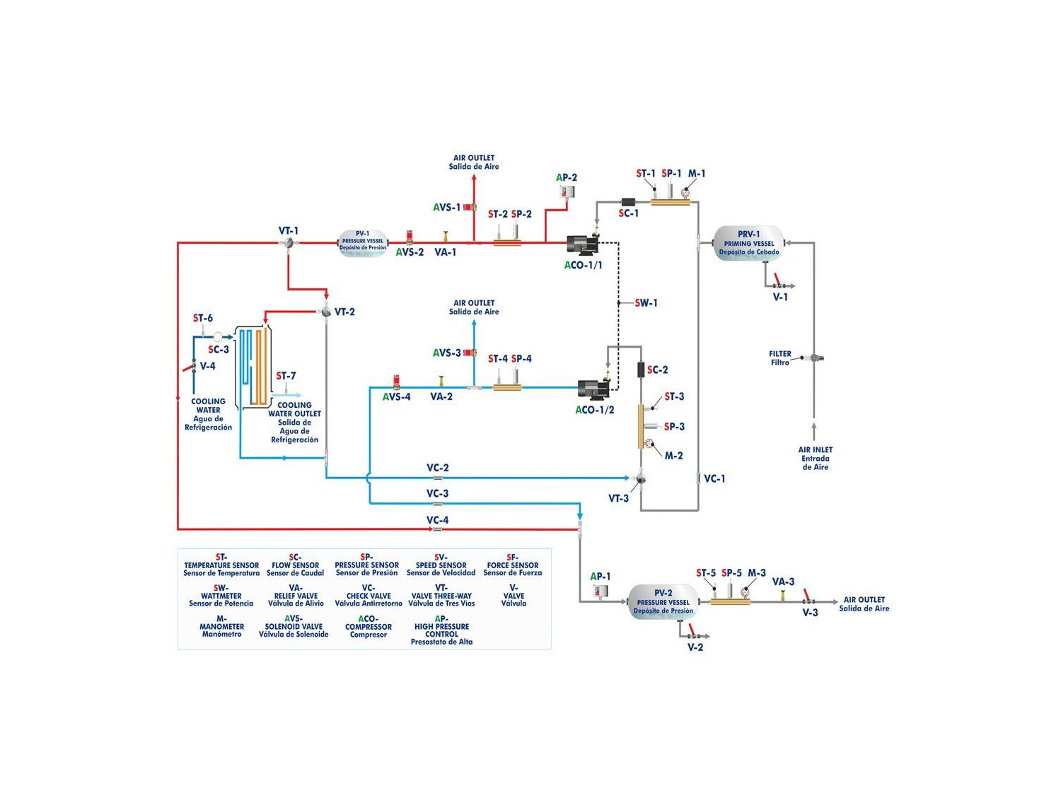
El Equipo de Ensayos de Compresor de Dos Etapas, Controlado desde Computador (PC), "HCDEC", trabaja con aire comprimido y tiene como dispositivo principal una bancada con dos pistones, uno de baja presión y otro de alta presión.
Este equipo presenta cuatro circuitos o disposiciones de trabajo que permiten estudiar diferentes situaciones de compresión.
En los cuatro circuitos seleccionables que presenta el equipo, se identifica una primera etapa similar en la que el aire entra por aspiración al pistón del compresor. En esta primera etapa el aire pasa a través de un depósito de cebado donde se recogen posibles condensados, por un sensor de caudal, por un sensor de temperatura, y un sensor de presión que recopilan información mediante computador (PC). En esta primera etapa también se encuentra un manómetro de presión y un filtro de aire.
Tras esta primera etapa se presentan diferentes situaciones de compresión que ofrecen los datos de cada punto de la compresión mediante tres sensores de temperatura y tres sensores de presión. El equipo presenta un intercambiador de calor de tubos concéntricos que enfría la corriente comprimida mediante agua de refrigeración, se recopilan datos mediante dos sensores de temperatura, permite realizar un balance de calor en este dispositivo y así estudiar la influencia en este tipo de procesos.
El equipo presenta las siguientes situaciones de compresión:
a) Compresión en una etapa – pistón de baja.
b) Compresión en una etapa – pistón de alta.
c) Dos etapas sin intercambio de calor intermedio.
d) Dos etapas con intercambio de calor intermedio.
Todos los circuitos presentan los correspondientes sistemas de seguridad, válvulas de alivio, válvulas antirretorno, así como dos presostatos de seguridad.
Los circuitos de compresión se seleccionan a través del computador (PC). El equipo permite la representación del ciclo de compresión instantáneo y la medición de: la potencia consumida por el compresor, los datos de presión y temperatura de cada punto de la compresión, y el tiempo de funcionamiento para realizar el cálculo de trabajo de compresión.
Este Equipo Controlado desde Computador se suministra con el Sistema de Control desde Computador (SCADA) de EDIBON, e incluye: el propio Equipo + una Caja-Interface de Control + una Tarjeta de Adquisición de Datos + Paquetes de Software de Control, Adquisición de Datos y Manejo de Datos, para el control del proceso y de todos los parámetros que intervienen en el proceso.
EJERCICIOS Y PRÁCTICAS GUIADAS
EJERCICIOS GUIADOS INCLUIDOS EN EL MANUAL
- Estudio del proceso de compresión en un diagrama p-V.
- Estudio del trabajo realizado por un compresor de dos etapas.
- Determinación de la eficiencia de un compresor de dos etapas.
- Estudio de la relación de presión y la relación de temperatura en un compresor de dos etapas.
- Investigación del comportamiento relativo del compresor para el consumo eléctrico, potencia del eje y pérdidas de calor, con y sin intercooler.
- Investigación de la variación de la eficiencia volumétrica frente a la relación de compresión, con y sin enfriamiento intermedio.
- Investigación de la variación de la eficiencia isotérmica y/o politrópica frente la relación de compresión, con y sin enfriamiento intermedio.
- Investigación de la variación del rendimiento mecánico frente a la relación de compresión, con y sin enfriamiento intermedio.
- Calibración de sensores.
MÁS EJERCICIOS PRÁCTICOS QUE PUEDEN REALIZARSE CON ESTE EQUIPO
- Estudio y análisis de la compresión en dos etapas con refrigeración intermedia mediante expansión.
- Estudio de la compresión en dos etapas con refrigeración intermedia mediante intercambiador de calor.
- Cálculo de la sequedad en el aire de entrada.
- Estudio del diseño y función de un compresor de dos etapas.
- Determinación del caudal de aire de admisión.
- Investigación de la variación en el caudal de aire frente a la relación de presión, con y sin intercooler.
- Estudio de la potencia de salida del motor (potencia del eje del compresor).
- Estudio del efecto de enfriamiento entre etapas sobre el compresor (potencia y temperaturas del ciclo).
- Estudio del efecto de la compresión en dos etapas y la interacción entre etapas sobre los requerimientos de energía.
- Estudio de la compresión en una etapa con refrigeración mediante expansión.
- Estudio de la compresión en una etapa sin refrigeración.
- Estudio de la compresión en una etapa con refrigeración mediante intercambiador de calor.
- Estudio del balance de calor en el intercambiador de calor.
Otras posibilidades que pueden realizarse con este equipo:
- Varios alumnos pueden visualizar simultáneamente los resultados. Visualizar todos los resultados en la clase, en tiempo real, por medio de un proyector o una pizarra electrónica.
- Control Abierto, Multicontrol y Control en Tiempo Real. Este equipo permite intrínsecamente y/o extrínsecamente cambiar en tiempo real el span, la ganancia, los parámetros proporcional, integral y derivativo, etc.
- El Sistema de Control desde Computador con SCADA y Control PID permiten una simulación industrial real.
- Este equipo es totalmente seguro ya que dispone de dispositivos de seguridad mecánicos, eléctricos/electrónicos y de software.
- Este equipo puede usarse para realizar investigación aplicada.
- Este equipo puede usarse para impartir cursos de formación a Industrias, incluso a otras Instituciones de Educación Técnica.
- Control del proceso del equipo HCDEC a través de la interface de control, sin el computador.
- Visualización de todos los valores de los sensores usados en el proceso del equipo HCDEC.
- Usando PLC-PI pueden realizarse adicionalmente 19 ejercicios más.
- El usuario puede realizar otros ejercicios diseñados por él mismo.
EQUIPOS COMPLEMENTARIOS
Equipo de Compresor Alternativo (Reciprocante), Controlado desde Computador (PC)
Equipo de Flujo de Fluidos Compresibles, Controlado desde Computador (PC)
Calidad

SERVICIO POSVENTA
